在现代电子设计中,高效能、低功耗的电源解决方案是工程师追求的目标。BP8501CH 作为一款集成了高压输入、低待机功耗和降压恒压功能的芯片,以其简洁的设计和卓越的性能,成为辅助电源设计的理想选择。深圳三佛科技将详细解析 BP8501CH 的核心特性、管脚功能、输出功率说明、典型应用电路以及内部结构框图,帮助工程师快速掌握其设计要点,提升开发效率。
| 项目 | 速写 |
|---|---|
| 拓扑 | 非隔离降压(Buck) |
| 电压 | 85-265 V AC 全电压 |
| 输出 | 3.3 V 或 5 V 可选,最大持续 60 mA* |
| 封装 | SOP-8(背面散热焊盘) |
| 特色 | 650 V 功率管 + 续流二极管 + 采样电阻 全内置 |
| 能效 | 待机 <20 mW,满足 EuP 6 级 |
| ?;?/td> | OLP/SCP/OTP/逐周期限流 |

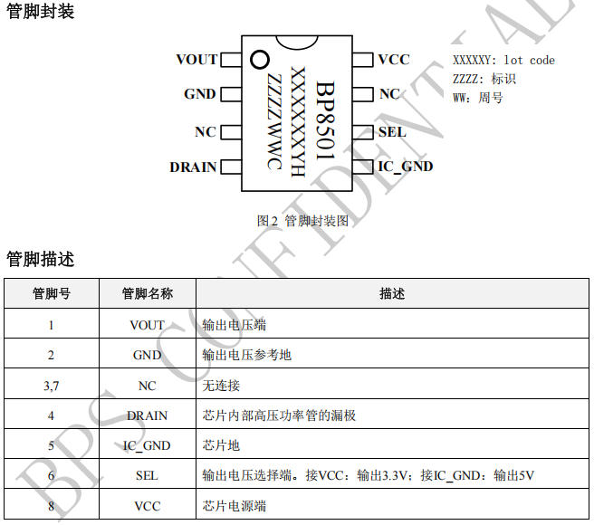
一句话记忆:SEL 接谁,谁就是输出电压!
官方给出“限值”而非“典型”,是因为 Buck 在 265 V AC 时占空比极小,电流能力受电感饱和与芯片温升双重限制。实测数据(25 ℃,自然散热):
| 输出电压 | 持续电流 | 脉冲电流 | 建议应用功率 |
|---|---|---|---|
| 3.3 V | 60 mA | 100 mA | ≤ 0.2 W |
| 5 V | 60 mA | 100 mA | ≤ 0.3 W |
若加 1 cm2 铜箔或强制风冷,可再抬 20 % 电流。记?。築P8501CH 的定位是“辅助电源”,不是大马拉小车。

BOM 清单:整流桥、22 μF/400 V、4.7 mH 贴片电感、22 μF/6.3 V、1 μF/16 V,完事。
PCB 贴士:DRAIN 铜皮最小化,IC_GND 散热最大化,功率环面积 <1 cm2 轻松过 EMI。

亮点解读:
BP8501CH 以其高度集成的设计理念和卓越的性能表现,为小功率电源设计提供了一种高效、简洁的解决方案。它不仅满足了现代电子设备对低功耗、高集成度和快速开发的需求,还通过减少外围元件数量,显著降低了系统成本和设计复杂性。深圳三佛科技提供技术支持,批量价格有优势~